1) 為16mm 氙燈放映機專門設計的一種高性能火花放電起振式觸發裝置 。
2) 氙燈的啟動點燃必須具備三種電壓 :一 是點燈的著火輔助電壓 ,約 70 — 100 伏左右 ;二是點燈 的主電壓 ,約 20—30 伏左右;三是擊穿氙燈燈泡 內氙氣的高頻高壓,約數十千伏。
4) 前二種電壓由氙燈電源供給并對 電源 的穩 流、波紋有較高的要求 ,現僅就能提供給氙燈高頻高壓的觸發器進行探討。
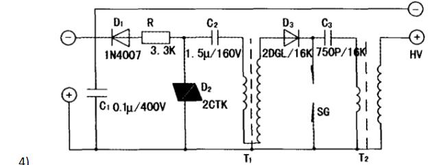
1) 一工 作原 理
2) 該電路如圖1所示由二極管 D 。、D z、D 電容

4) C 。、C 。、C。,電阻 R ,放電觸點 SG ,高頻升壓線圈TT組成D 為隔離二極管 ,其作用是 防止氙燈電壓極性接反 ,氙燈 處于逆 向點燈狀態而損壞氙燈。
5) D 2 為具有負阻特性的雙向二極管 ,其轉折電壓為 106V ,工作特性如圖 2 所示 。
6) D 3 為高頻高壓整流二極管 ,用 以整流 T次級線圈產生的高頻 高壓C 為高頻高壓電容,為氙燈觸發器產生 的高壓提供高頻通路R 為限流電阻 ,用于確定電容 C z 充電時間的長短C為高頻諧振電容 ,與T初級線圈組成高頻諧振電路 。

7) 觸發器的工作過程如下 :當氙燈 電源輸 出的空載電壓正確地加到觸發器的輸 入端0 、e 接線螺釘上時 ,150V 直流電壓通過 T 。初級線圈 ,R 、D 。向 C 2 充電。
8) 一旦 C2 兩 端的電壓充至 106V 時 ,2C T K兩端 電壓產生 轉折 ,近似 為零 。2C T K 迅 速導通 ,C z 兩端電壓經過 2C T K 施加 于 T 。
9) 的初級 (脈沖電壓 );當C放電電流小于2C T K 的維持電流時 ,2C T K又重新阻斷,這樣在 2C T K 兩端即產生周期約7m s 的脈 沖波形 。
10) 由于T初 次級 匝數 比為 1 :150,T 。初次產生約 15K V 的脈沖高壓 ,經 D 整流后給C充 電。
11) 放電間隙SG調至 8K V 時處于短路狀態SG 短路 的瞬間由于C與 T初 級線 圈電感 形成共振電路的作用T進一步升壓由于T的初次級匝數 比為 1 :8,加之 電路 中存在寄生電容等原因,T次級產生出約 35K V 左右的高壓 ,此高頻高壓啟動氙燈點燃。